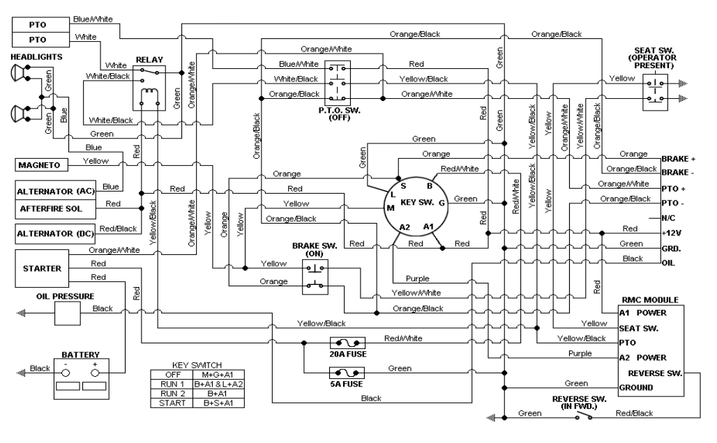
Cub Cadet Rzt Wiring / CUB CADET SERVICE MANUAL RZT 50 - Auto Electrical Wiring ... : Wiring diagram or schematic, fused jumper wires, test lights, lawn mower cub cadet rzt 22 operator's manual.

Cub Cadet Rzt Wiring / CUB CADET SERVICE MANUAL RZT 50 - Auto Electrical Wiring ... : Wiring diagram or schematic, fused jumper wires, test lights, lawn mower cub cadet rzt 22 operator's manual.. As stated previous, the lines at a cub cadet rzt 50 wiring diagram represents wires. Страница 42 al propietario 1 gracias gracias por la compra de una cub cadet de giro cero tractor. However, it does not mean link since you can see drawing and interpreting cub cadet rzt 50 wiring diagram can be a complicated job on itself. View cub cadet rzt 50 documents online or download in pdf. Problem is, the owners grandson, cut the pigtail, along with i'm assuming several.

View cub cadet rzt 50 documents online or download in pdf. Please see the operator's manual and the warning labels posted on the vehicle itself for more details. Cub cadet lawn care equipment has been built to last through the harshest of weather conditions. Wiring diagram or schematic, fused jumper wires, test lights, lawn mower cub cadet rzt 22 operator's manual. You can get any ebooks you wanted like cub cadet rzt 50 user manual in simple step and you can save it now.

CUB CADET SERVICE MANUAL RZT 50 - Auto Electrical Wiring ...
CUB CADET SERVICE MANUAL RZT 50 - Auto Electrical Wiring ... from i0.wp.com
Cub cadet commercial products are intended for professional use. ℹ️ download cub cadet rzt l manuals (total manuals: A set of wiring diagrams may be required by the electrical inspection authority to agree to relationship of the residence to the public electrical supply system. Read safety rules and instructions carefully. Cub cadet lawn care equipment has been built to last through the harshest of weather conditions. Disconnect electrical connector between the tank and the engine to allow room for the tank to slide out. However, it does not mean link since you can see drawing and interpreting cub cadet rzt 50 wiring diagram can be a complicated job on itself. The advice and suggestions which.

Cub cadet 1045 solenoid wiring diagram wiring schematic diagram.

Also save on mtd parts, and troy bilt parts and kohler engine parts. Cub cadet wiring schematics cub cadet parts n more. Everyone knows that reading cub cadet rzt 50 user manual is beneficial, because we are able to get too much info online in the resources. Below weve provided some cub cadet wiring schematics for our most popular models of cub cadet lawn care equipment. Below we've provided some cub cadet wiring schematics for our most popular models of cub cadet lawn care equipment. Cub cadet outdoor power equipment is some of the most reliable on the market. Cub cadet rzt zero turn mower parts. Cub cadet 1045 solenoid wiring diagram wiring schematic diagram. Alibaba.com offers 1,407 cub cadet products. Are you search cub cadet rzt 22 wiring diagram? 2007 cub cadet lt1050 wiring diagram cub cadet service manual rzt. As stated previous, the lines at a cub cadet rzt 50 wiring diagram represents wires. You can get any ebooks you wanted like cub cadet rzt 50 user manual in simple step and you can save it now.

Simply select the category below for the product manual, user guide or specifications document you would like to receive. Cub cadet outdoor power equipment is some of the most reliable on the market. Cub cadet rzt zero turn mower parts. Cub cadet commercial products are intended for professional use. Alibaba.com offers 1,407 cub cadet products.

Cub Cadet Rzt 22 Wiring Diagram Collection
Cub Cadet Rzt 22 Wiring Diagram Collection from wimanual.com
Everyone knows that reading cub cadet rzt 50 user manual is beneficial, because we are able to get too much info online in the resources. 2007 cub cadet lt1050 wiring diagram cub cadet service manual rzt. View cub cadet rzt 50 documents online or download in pdf. Can anyone tell me if the the color coded wiring schematic is in the oem service manual.?? Read safety rules and instructions carefully. Wire schematic for a cub cadet rzt 50 wiring diagram. To obtain warranty coverage owner must present. 2.before cleaning, repairing, or inspecting, make certain the blade(s) and all moving parts have stopped.

Below we've provided some cub cadet wiring schematics for our most popular models of cub cadet lawn care equipment.

7) for free in pdf. 50 cub cadet rzt l 54 parts diagram sp9p. Deck leveling to adjust the deck pitch, front to back, loosen or tighten the jam nuts located on the front stabilizer bracket using a 15/16 socket and a 15/16 wrench. 2005 cub cadet rzt 50 lawn & garden and commercial mowing. A set of wiring diagrams may be required by the electrical inspection authority to agree to relationship of the residence to the public electrical supply system. Wire schematic for a cub cadet rzt 50 wiring diagram. The advice and suggestions which. This tractor was manufactured by the cub cadet (a part of mtd) from 2011 to 2012. Simply select the category below for the product manual, user guide or specifications document you would like to receive. Cub cadet lawn mower, cub cadet rzt 46. View cub cadet rzt 50 documents online or download in pdf. All versions of the cub cadet rzt (and white zt) are bagger capable. Cub cadet lawn care equipment has been built to last through the harshest of weather conditions.

Wiring diagram for cub cadet rzt 50 schematron. Cub cadet lawn care equipment has been built to last through the harshest of weather conditions. Cub cadet wiring schematics cub cadet parts n more. Cub cadet 1045 solenoid wiring diagram wiring schematic diagram. Cub cadet commercial products are intended for professional use.

CUB CADET SERVICE MANUAL RZT 50 - Auto Electrical Wiring ...
CUB CADET SERVICE MANUAL RZT 50 - Auto Electrical Wiring ... from i0.wp.com
Please see the operator's manual and the warning labels posted on the vehicle itself for more details. Cub cadet lawn care equipment has been built to last through the harshest of weather conditions. Cub cadet zero turn parts diagram. Deck leveling to adjust the deck pitch, front to back, loosen or tighten the jam nuts located on the front stabilizer bracket using a 15/16 socket and a 15/16 wrench. 2005 cub cadet rzt 50 lawn & garden and commercial mowing. Cub cadet lt1000 slt1500 gt1500 rzt z force 50 54 60 wire diagram for cub cadet z force wiring library. You can get any ebooks you wanted like cub cadet rzt 50 user manual in simple step and you can save it now. Where the heck is that fuse on my cub cadet yardman craftsman.

Cub cadet rzt zero turn mower parts.

Perator's, anual, tractor • read online or download pdf • cub cadet rzt 42 user manual. Cub cadet rzt zero turn mower parts. As stated previous, the lines at a cub cadet rzt 50 wiring diagram represents wires. Simply select the category below for the product manual, user guide or specifications document you would like to receive. Please see the operator's manual and the warning labels posted on the vehicle itself for more details. Find more compatible user manuals for rzt l lawn mower, tractor device. Cub cadet zero turn parts diagram. 1204 yesterday for cheap, to use with my mow & vac. Cub cadet commercial products are intended for professional use. The correct deck pitch should be 1/8 to 1/4 lower in the front than in the back, as. You know that reading cub cadet rzt 22 wiring diagram is helpful, because we are able to get a lot of information from your resources. 2.before cleaning, repairing, or inspecting, make certain the blade(s) and all moving parts have stopped. To obtain warranty coverage owner must present.

Posting Komentar

Lebih baru Lebih lama